Product specifications and documentation
HGPC-M65M
Detailed Specifications
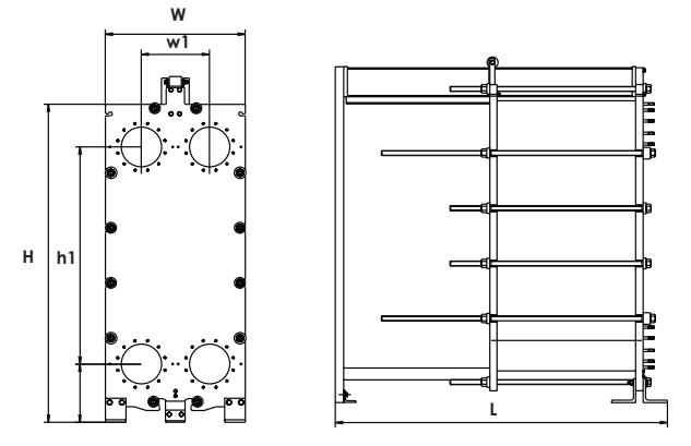
Dimensions

Height H1
800 mm
Height (H)
1052 mm
Length (L)
617-922 mm
Width W1
150 mm
Width (W)
340 mm
Downloads
Catalogs & Documents
HPC & HGPC Series Selection Guide 2026 V04
PDFEN
HGPC Gasketed Plate Cooler User Manual
PDFKO
HPC & HGPC Series Selection Guide 2026 V04
PDFKO
HPC & HGPC Series Selection Guide 2026 V04
PDFZH
HGPC Series Selection Guide 2026 V04
PDFEN
HGPC Series Selection Guide 2026 V04
PDFKO
HGPC Series Selection Guide 2026 V04
PDFZH
HydroLync Complete Selection Guide 2026 V04
PDFEN
HydroLync Complete Selection Guide 2026 V04
PDFKO
HydroLync Complete Selection Guide 2026 V04
PDFZH
Accessories
Additional Information
Quality Assured
Manufactured to the highest industry standards with rigorous quality control
Expert Support
Comprehensive technical support and documentation available
Fast Delivery
Quick turnaround times for standard models